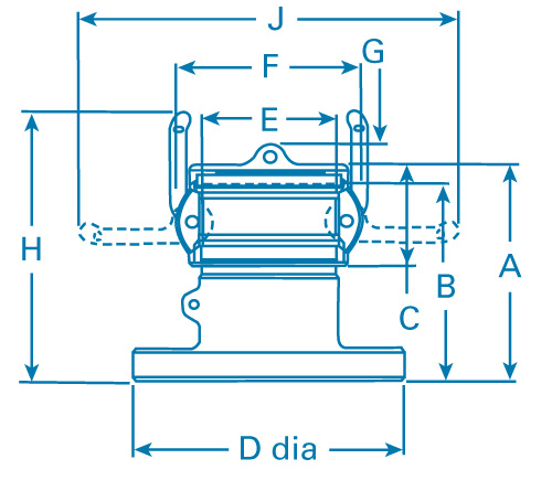
1600ANF Series Kamvalok Railcar Adaptor

The OPW 1600ANF and 1600ANFT Series Railcar Adaptors are designed specifically for applications using an ANSI flange. The OPW 1600ANF Dry Disconnect Adaptors keep hazardous chemicals and vapors in-line and out of the environment. Rugged, yet quick and easy to install, the 1600ANF Series is ideal for closed-loop loading conversions.